Giới thiệu sơ đồ thủy lực cho giá nâng hàng sử dụng 2 xi lanh
1. Kết cấu và chức năng của các phần tử trong sơ đồ thủy lực.

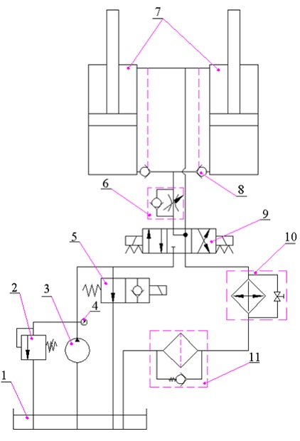
Hình 1. Sơ đồ thủy lực giá nâng hàng sử dụng 2 xi lanh
- Các phần tử thủy lực trong sơ đồ :
+ 1- Bể dầu: Để đựng lượng dầu cần thiết cho hoạt động của hệ thống.
+ 2- Van an toàn: Để đảm bảo áp suất của hệ thống không vượt quá giá trị cho phép, nhằm bảo vệ an toàn cho các thiết bị của hệ thống không bị phá hỏng và hệ thống làm việc đúng yêu cầu thiết kế.
+ 3- Bơm nguồn: Cung cấp áp suất và lưu lượng cho toàn bộ hệ thống thủy lực.
+ 4- Đồng hồ đo áp suất: Dùng để đo áp suất tại đầu ra của bơm nguồn. Từ đó xác định được điều kiện làm việc cụ thể của bơm trong từng trường hợp khác nhau.
+ 5- Van phân phối 2B2: Van này có đặc điểm là ở ví trí thường mở để xả dầu giảm tải cho bơm khi hệ thống chưa làm việc. Van này chỉ đóng khi hệ thống làm việc và nó được điều khiển bằng điện.
+ 6- Cụm van tiết lưu và van một chiều: Cấu tạo gồm một van tiết lưu và một van một chiều lắp song song với nhau. Cụm van này có tác dụng là: khi nâng tải cho dòng dầu đi qua van một chiều để đảm bảo tốc độ nâng tính toán, còn khi hạ tại thì lại cho dòng dầu đi qua van tiết lưu để giảm tốc độ tránh hiện tượng va đập.
+ 7- Xi lanh thủy lực: Tạo lực cần thiết để nâng và hạ tải ở độ cao cần thiết có thể.
+ 8- Van một chiều có điều khiển: Được lắp sát đầu dưới của xi lanh, sử dụng dòng ở đường cao áp để mở. Có tác dụng dừng tải khi đường ống cao áp bị vỡ (khi hạ tải) không cho vật nặng rơi tự do, đồng thời kết hợp với van phân phối 4/3 có thể dừng tải ở vị trí độ cao bất kì.
+ 9- Van phân phối 4/3 (có các cửa A, B, T thông nhau): Có tác dụng điều khiển hoạt động của xi lanh từ đó cho phép ta nâng hạ tải một cách rễ ràng. Khi kết hợp với hai van một chiều có điều khiển (như đã nói ở trên) nó còn cho phép dừng tải tại độ cao bất kì (trong phạm vi cho phép).
+ 10- Cụm các thiết bị làm mát: Gồm có thiết bị làm mát mắc song song với một khóa. Thiết bị làm mát dùng để làm mát dầu của hệ thống, tránh trường hợp dầu quá nóng dẫn đến thay đổi tính chất của dầu hoặc dầu bị sôi => làm suất hiện bọt khí trong dầu => hệ thống làm việc không ổn định (có thể gây rung, giật…). Khóa có tác dụng cho dầu đi qua khi không cần làm mát, tránh tổn thất trên thiết bị làm mát.
+ 11- Cụm lọc dầu: Gồm có lọc dầu mắc song song với van một chiều. Lọc dầu được lắp ở đường xả của hệ thống, có tác dụng lọc sạch cặn bẩn do dầu và các thiết bị bên trong hệ thống hệ thống sinh ra. Van một chiều có tác dụng cho dòng dầu đi qua khi lọc dầu bị tắc do quá nhiều cặn bẩn, tránh phá hủy màng lọc.
2. Nguyên lý làm việc của sơ đồ thuỷ lực.
Hệ thống thủy lực làm việc trong các chế độ sau:
a. Chế độ chờ : Là chế độ mà khi đó bơm đã hoạt động nhưng chưa nâng tải. Ở chế độ này van số 5 ở trạng thái mở có tác dụng xả dầu giảm tải cho bơm; Van phân phối 4/3 ở vị trí trung gian; Các van khác chưa hoạt động. Dòng dầu từ bơm được xả qua van số 5 về bể.
b. Chế độ nâng tải : Ở chế độ này thì van số 5 đóng, dầu từ bơm được cấp cho hệ thống; Van phân phối số 9 làm việc ở vị trí bên trái (như sơ đồ); Cụm van số 6 làm việc ở chế độ van một chiều; Van một chiều có điều khiển số 8 làm việc như van một chiều bình thường. Trong hệ thống có hai dòng dầu liên tục là :
+ Dòng dầu 1 : Bắt đầu từ bể dầu số 1 -> Bơm dầu số 3 -> Van phân phối số 9 -> Cụm van số 6 -> Van một chiều có điều khiển số 8 -> Đầu dưới của xi lanh thủy lực số 7.
+ Dòng dầu 2 : Bắt đầu từ đầu trên của xi lanh thủy lực số 7 -> Van phân phối số 9 -> Cụm làm mát số 10 -> Cụm lọc dầu số 11 -> Bể dầu số 1.
Kết quả là cần xi lanh thủy lực được nâng lên, đồng thời tải trọng cũng được nâng lên theo.
c. Chế độ hạ tải : Ở chế độ này van số 5 đóng, dầu từ bơm được cấp cho hệ thống; Van phân phối số 9 làm việc ở vị trí bên phải( như hình vẽ); Cụm van số 6 làm việc ở chế độ van tiết lưu; Van một chiều có điều khiển số 8 làm việc ở chế độ ngược, hai van này được mở nhờ dòng dầu ở đường cao áp. Hệ thống có hai dòng dầu liên tục là :
+ Dòng dầu 1 : Bắt đầu từ bể dầu số 1 -> Bơm dầu số 3 -> Van phân phối số 9 -> Đầu trên của xi lanh thủy lực số 7.
+ Dòng dầu 2 : Bắt đầu từ đầu dưới của xi lanh thủy lực số 7 -> Van một chiều có điều khiển số 8 -> Cụm van số 6 -> Van phân phối số 9 -> Cụm làm mát số 10 -> Cụm lọc dầu số 11 -> Bể dầu số 1.
Kết quả là cần xi lanh thủy lực được hạ xuống và tải trọng được hạ xuống theo.
d. Chế độ giữ tải : Là chế độ mà khi đó tải trọng được giữ ở một độ cao nào đó. Khi đó van số 5 mở xả dầu giảm tải cho bơm; Van phân phối số 9 ở vị trí trung gian ( như hình vẽ); Van một chiều có điều khiển số 8 làm việc ở chế độ khóa, do dòng dầu cao áp lúc này được nối ra bể dầu. Dầu bắt đầu từ bể dầu số 1 -> Van số 5 -> Bể dầu số 1. Do tác dụng khóa của van một chiều có điều khiển số 8, không cho dầu ở đầu dưới của xi lanh chảy về bể => Kết quả là cần xi lanh được giữ ở một độ cao nào đó => Tải trọng được giữ ở vị trí độ cao nhất định.
e. Chế độ quá tải : Là chế độ mà khi hệ thống đã hoạt động nhưng gặp sự cố nào đó ( Ví dụ : Tải trọng nâng vượt quá giá trị cho phép; Đường cao áp bị tắc…) -> Kết quả của nó là áp suất làm việc trong hệ thống vượt quá giá trị tính toán cho phép. Khi đó van an toàn số 2 mở xả dầu giảm tải cho bơm, bảo vệ bơm và các thiết bị thủy lực khác. Ở chế độ này dòng dầu bắt đầu từ bể dầu số 1 -> Bơm dầu số 3 -> Van an toàn số 2 -> Bể dầu số 1.
Mọi yêu cầu thắc hoặc tư vấn hỗ trợ có thể liên hệ thực tiếp với chúng tôi Công ty Amech theo số điện thoại hoặc email cskh.amech@gmail.com.