HỆ THỐNG THỦY LỰC CHO MÁY RA VÀO LỐP XE (SỐ 11)
Hệ thống thủy lực cho máy ra vào lốp xe (power pack for Tire changers) là hệ thống được dùng để điều khiển bốn xi lanh thủy lực của máy ra vào lốp xe. Đây là máy được sử dụng khá phổ biến trong các gara sửa chữa ô tô. Tuy vào cách thức hoạt động và kiểu máy sẽ có các kết cơ khi và thủy lực khác nhau, ở đây chúng tôi giới giới thiệu một mẫu máy ra vào lốp xe bằng thủy lực như hình 11.1 dưới đây.

Hình 11.1. Máy ra vào lốp xe bằng hệ thống thủy lực
Hệ thống thủy lực của máy này được thiết kế với bốn xi lanh tác động hai chiều. Điện áp động cơ điện sử dụng là loại xoay chiều một pha AC 220V hoặc ba pha AC380 V, sơ đồ thủy lực của hệ thống này như hình 11.2 dưới đây.

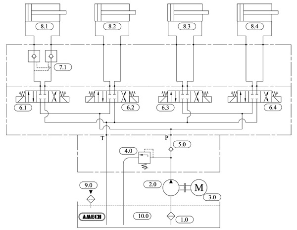
Hình 11.2. Sơ đồ thủy lực cho máy ra vào lốp xe.
|
1- Lọc dầu hút |
6- Van phân phối thủy lực 4/3 |
|
2- Bơm dầu thủy lực |
7- Van tiết lưu một chiều |
|
3- Động cơ điện |
8- Xi lanh thủy lực |
|
4- Van an toàn |
9- Nắp đổ dầu |
|
5- Van một chiều |
10- Thùng chứa dầu |
Tùy thuộc vào loại máy yêu cầu mà có thể chọn công suất động cơ điện khác nhau và thiết bị thủy lực đồng bộ theo. Hệ thống được thiết kế đồng bộ để điều khiển các xi lanh đóng mở hai chiều, riêng với xi lanh nâng được trang bị một cụm van một chiều chống tụt để hạn chế trường hợp cơ cấu bị hạ xuống (tụt xi lanh do rò rỉ ở van phân phối) trong khi đang làm việc.
Chức năng nhiệm vụ của các phần tử thủy lực trong sơ đồ hình 11.2:
+ Lọc dầu hút số 1 (Filter section):
Loại bỏ tạp chất bẩn trước khi vào bơm dầu và hệ thống thủy lực, nhằm bảo vệ các thiết bị thủy lực không bị xước, kẹt các bề mặt làm việc. Lọc dầu hút thường dùng loại 100 µm.
+ Bơm dầu thủy lực số 2 (Hydraulic Pump):
Là thiết bị chuyển hóa năng lượng từ đồng cơ điện thành năng lượng dòng thủy lực với áp suất và lưu lượng nhất định cấp vào hệ thống thủy lực. Thường bơm sử dụng trong sơ đồ này là bơm thủy lực bánh răng.
+ Động cơ điện số 3:
Là thiết bị chuyển hóa điện năng thành mô men quay bơm dầu thủy lực. (Tùy vào yêu cầu sử dụng có thể dùng các loại điện áp khác nhau như: Động cơ điện xoay chiều một pha AC 220V, động cơ điện xoay chiều ba pha AC 380V…).
+ Van an toàn số 4 (Relief Valves):
Là thiết bị thủy lực có nhiệm vụ bảo vệ hệ thống thủy lực khi quá tải. Van này được đặt sẵn một áp suất nhất định, khi bơm dầu thủy lực đạt mức áp suất này (do kẹt cơ khí hoặc có vật cản trong quá trình làm việc dẫn tới tại trọng nâng quá lớn) dầu sẽ được xả về thùng => áp suất không thể tăng thêm => bảo vệ các phần tử thủy lực khác.
+ Van một chiều số 5 (check valve):
Van này có nhiệm vụ chỉ cho dòng dầu đi theo một hướng từ bơm lên, nhằm bảo vệ bơm không bị quay ngược chiều khi động cơ điện dừng đột ngột do mất điện.
+ Van phân phối 4/3 (van điện từ, van solenoid) số 6.1; 6.2; 6.3; 6.4:
Van này có nhiệm vụ đào chiều được dầu thủy lực cao áp để điều khiến các xi lanh tiến lùi theo ý muốn. Để điều khiển van này phải có dòng điện hoặc nhấn bằng tay vào đầu van (tùy loại van có hoặc không có chức năng này).
+ Van một chiều có điều khiển chống tụt hai phía số 7 (Pilot Operated Check Valves):
Van này có nhiệm vụ chỉ nâng, hạ cơ cấu khi có áp suất mở van => giữ cơ cấu máy ở một ví trí nhất định mà không bị tụt.
+ Xi lanh thủy lực số 8.1; 8.2; 8.3; 8.4 (Hydraulic cylinder):
Xi lanh có nhiệm vụ tạo lực đẩy để ép và nâng hạ.
+ Nắp đổ dầu số 9:
Với bộ nguồn nhỏ thì vị trí này vừa có nhiệm vụ cấp dầu vừa có nhiệu vụ tháo dầu ra khỏi thùng dầu.
+ Thùng chứa dầu số 10 (Tank oil):
Chứa mức dầu phù hợp cho hoạt động của toàn bộ hệ thống. Tùy vào vị trí lắp đặt và yêu cầu sử dụng mà ta có thể chọn thùng dầu tròn (kiểu trụ tròn) hoặc vuông (hình hộp chữ nhật).
Hình ảnh một số model xi lanh thủy lực có thể dùng cho máy ra vào lốp xe được sản xuất bởi công ty Amech:
|
|
|
|
|
Xi lanh thủy lực AMP5-RB-W |
Xi lanh thủy lực AMP3-RC-W |
Xi lanh thủy lực AMH-CT-W |
Mọi yêu cầu thắc hoặc tư vấn hỗ trợ có thể liên hệ thực tiếp với chúng tôi Công ty Amech theo số điện thoại hoặc email sales.amech@gmail.com. Hiện tại công ty Amech có cung cấp bộ nguồn thủy lực cho máy ra vào lốp xe, bộ nguồn được nhập khẩu linh kiện chính hãng từ Hàn Quốc, Thổ Nhĩ Kỳ, Đài Loan, Trung Quốc.
