HỆ THỐNG THỦY LỰC ĐIỀU KHIỂN TẤM PIN MẶT TRỜI (SỐ 17)
Hệ thống thủy lực điều khiển tấm pin mặt trời (power pack for Solar panel) là hệ thống được dùng để điều khiển góc quay của tấm pin năng lượng mặt trời sao cho góc chiếu của ánh sáng mặt trời vào các tấm pin để đạt hiệu suất cao nhất. Pin năng lượng mặt trời là thiết bị giúp chuyển hóa trực tiếp năng lượng ánh sáng mặt trời thành năng lượng điện dựa trên hiệu ứng quang điện. Pin năng lượng mặt trời có nhiều ứng dụng trong thực tế. Chúng đặc biệt thích hợp cho các vùng sâu vùng xa, ngoải đảo hoặc trên các trạm không gian… những nơi mà chưa hoặc không thể sử đụng được lưới điện quốc gia. Ngay nay với việc công nghệ pin năng lượng mặt trời ngày càng phát triển, giá thành ngày càng rẻ hơn nên việc ứng dụng trong các hộ gia đình và các nhà máy sản xuất điện mặt trời được đầu tư nhiều hơn. Một trong những mô hình lắp đặt pin năng lượng mặt trời như hình 17.1 dưới đây.

Hình 17.1. Hệ thống pin năng lượng mặt trời được lắp đặt thực tế
Do góc độ ánh sáng mặt trời phụ thuộc vào chuyển động của trái đất nên để tấm pin năng lượng mặt trời có thể đạt hiệu suất cao cần quay tấm pin năng lượng mặt trời hướng theo hướng của mặt trời. Để làm được việc này người ta thường sử dụng hệ thống thủy lực để điều khiển. Ở đây công ty Amech giới thiệu một sơ đồ thủy lực của hệ thống này như hình 17.2 dưới đây.

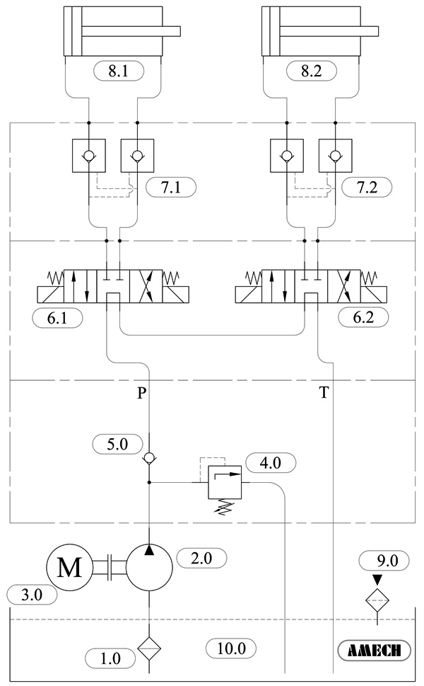
Hình 11.2. Sơ đồ thủy lực cho máy điều khiển góc đặt tấm pin năng lượng mặt trời.
|
1- Lọc dầu hút |
6- Van phân phối thủy lực 4/3 |
|
2- Bơm dầu thủy lực |
7- Van chống tụt hai chiều |
|
3- Động cơ điện |
8- Xi lanh thủy lực |
|
4- Van an toàn |
9- Nắp đổ dầu |
|
5- Van một chiều |
10- Thùng chứa dầu |
Đây là hệ thống thủy lực điều khiển góc độ tấm pin năng lượng mặt trời, hệ thống này sử dụng 02 xi lanh thủy lực để điều chỉnh tấm pin năng lượng mặt trời quay theo bốn hướng. Tùy thuộc vào diện tích tấm pin năng lượng mặt trời và sức nặng của khung giá đỡ mà quyết định chọn cơ động cơ điện, xi lanh thủy lực cũng như các linh kiện thủy lực đồng bộ kèm theo. Hệ thống được thiết kế đồng bộ để điều khiển các xi lanh đóng mở hai chiều, hệ thống được trang bị van một chiều chống tụt hai phía giúp khóa chắc xi lanh ở vị trí cần thiết (hạn chế hiện tượng tụt xi lanh do rò rỉ ở van phân phối) trong khi đang làm việc.
Chức năng nhiệm vụ của các phần tử thủy lực trong sơ đồ hình 17.2:
+ Lọc dầu hút số 1 (Filter section):
Loại bỏ tạp chất bẩn trước khi vào bơm dầu và hệ thống thủy lực, nhằm bảo vệ các thiết bị thủy lực không bị xước, kẹt các bề mặt làm việc. Lọc dầu hút thường dùng loại 100 µm.
+ Bơm dầu thủy lực số 2 (Hydraulic Pump):
Là thiết bị chuyển hóa năng lượng từ đồng cơ điện thành năng lượng dòng thủy lực với áp suất và lưu lượng nhất định cấp vào hệ thống thủy lực. Thường bơm sử dụng trong sơ đồ này là bơm thủy lực bánh răng.
+ Động cơ điện số 3:
Là thiết bị chuyển hóa điện năng thành mô men quay bơm dầu thủy lực. (Tùy vào yêu cầu sử dụng có thể dùng các loại điện áp khác nhau như: Động cơ điện xoay chiều một pha AC 220V, động cơ điện xoay chiều ba pha AC 380V…).
+ Van an toàn số 4 (Relief Valves):
Là thiết bị thủy lực có nhiệm vụ bảo vệ hệ thống thủy lực khi quá tải. Van này được đặt sẵn một áp suất nhất định, khi bơm dầu thủy lực đạt mức áp suất này (do kẹt cơ khí hoặc có vật cản trong quá trình làm việc dẫn tới tại trọng nâng quá lớn) dầu sẽ được xả về thùng => áp suất không thể tăng thêm => bảo vệ các phần tử thủy lực khác.
+ Van một chiều số 5 (check valve):
Van này có nhiệm vụ chỉ cho dòng dầu đi theo một hướng từ bơm lên, nhằm bảo vệ bơm không bị quay ngược chiều khi động cơ điện dừng đột ngột do mất điện.
+ Van phân phối 4/3 (van điện từ, van solenoid) số 6.1; 6.2:
Van này có nhiệm vụ đào chiều được dầu thủy lực cao áp để điều khiến các xi lanh tiến lùi theo ý muốn. Để điều khiển van này phải có dòng điện hoặc nhấn bằng tay vào đầu van (tùy loại van có hoặc không có chức năng này).
+ Van một chiều có điều khiển chống tụt hai phía số 7 (Pilot Operated Check Valves):
Van này có nhiệm vụ chỉ nâng, hạ cơ cấu khi có áp suất mở van => giữ cơ cấu máy ở một ví trí nhất định mà không bị tụt.
+ Xi lanh thủy lực số 8.1; 8.2; (Hydraulic cylinder):
Xi lanh có nhiệm vụ tạo lực đẩy và kéo để điều chỉnh góc độ của tấm pin năng lượng mặt trời.
+ Nắp đổ dầu số 9:
Với bộ nguồn nhỏ thì vị trí này vừa có nhiệm vụ cấp dầu vừa có nhiệu vụ tháo dầu ra khỏi thùng dầu.
+ Thùng chứa dầu số 10 (Tank oil):
Chứa mức dầu phù hợp cho hoạt động của toàn bộ hệ thống. Tùy vào vị trí lắp đặt và yêu cầu sử dụng mà ta có thể chọn thùng dầu tròn (kiểu trụ tròn) hoặc vuông (hình hộp chữ nhật).
Hình ảnh một số model xi lanh thủy lực có thể dùng cho điều khiển tấm pin năng lượng mặt trời được sản xuất bởi công ty Amech:
|
|
|
|
|
Xi lanh thủy lực AMP5-RB-W |
Xi lanh thủy lực AMP3-RC-W |
Xi lanh thủy lực AMH-CT-W |
Mọi yêu cầu thắc hoặc tư vấn hỗ trợ có thể liên hệ thực tiếp với chúng tôi Công ty Amech theo số điện thoại hoặc email sales.amech@gmail.com. Hiện tại công ty Amech có cung cấp bộ nguồn thủy lực cho điều khiển tấm pin năng lượng mặt trời, bộ nguồn được nhập khẩu linh kiện chính hãng từ Hàn Quốc, Thổ Nhĩ Kỳ, Đài Loan, Trung Quốc.
