HỆ THỐNG THỦY LỰC MÁY LÁI TÀU THỦY W-130 (SỐ 19)
Hệ thống thủy lực máy lái tàu thủy W-130 là thiết bị máy lái tàu bằng thủy lực của hãng KITAGAWA KOGYO-JAPAN, đây là thiết bị dùng xi lanh thủy lực để tạo ra mô men dịch chuyển bánh lái nhằm chuyển hướng tàu. Ưu điểm của máy lái tàu bằng thủy lực là:
+ Tao mô men lái lớn.
+ Cho phép dễ dàng điều chỉnh vận tốc trong dải rộng, êm, không ổn.
+ Kết cấu gọn, hiệu suất làm việc cao.
+ Khả năng chịu quá tải tốt (do có nhiều thiết bị đảm bảo an toàn khi quá tải).
+ Khả năng điều khiển chỉnh xác cao.
Phụ thuộc vào nhà chế tạo, tải trọng của tàu mà sẽ có các phương án thiết kế hệ thống thủy lực máy lái tàu thủy khác nhau như: Dùng một xi lanh; dùng hai xi lanh; dùng động cơ thủy lực… Hình ảnh một bộ máy lái tàu bằng thủy lực ngoài thực tế như hình 19.1 dưới đây.

Hình 19.1. Máy lái tàu thủy bằng thủy lực
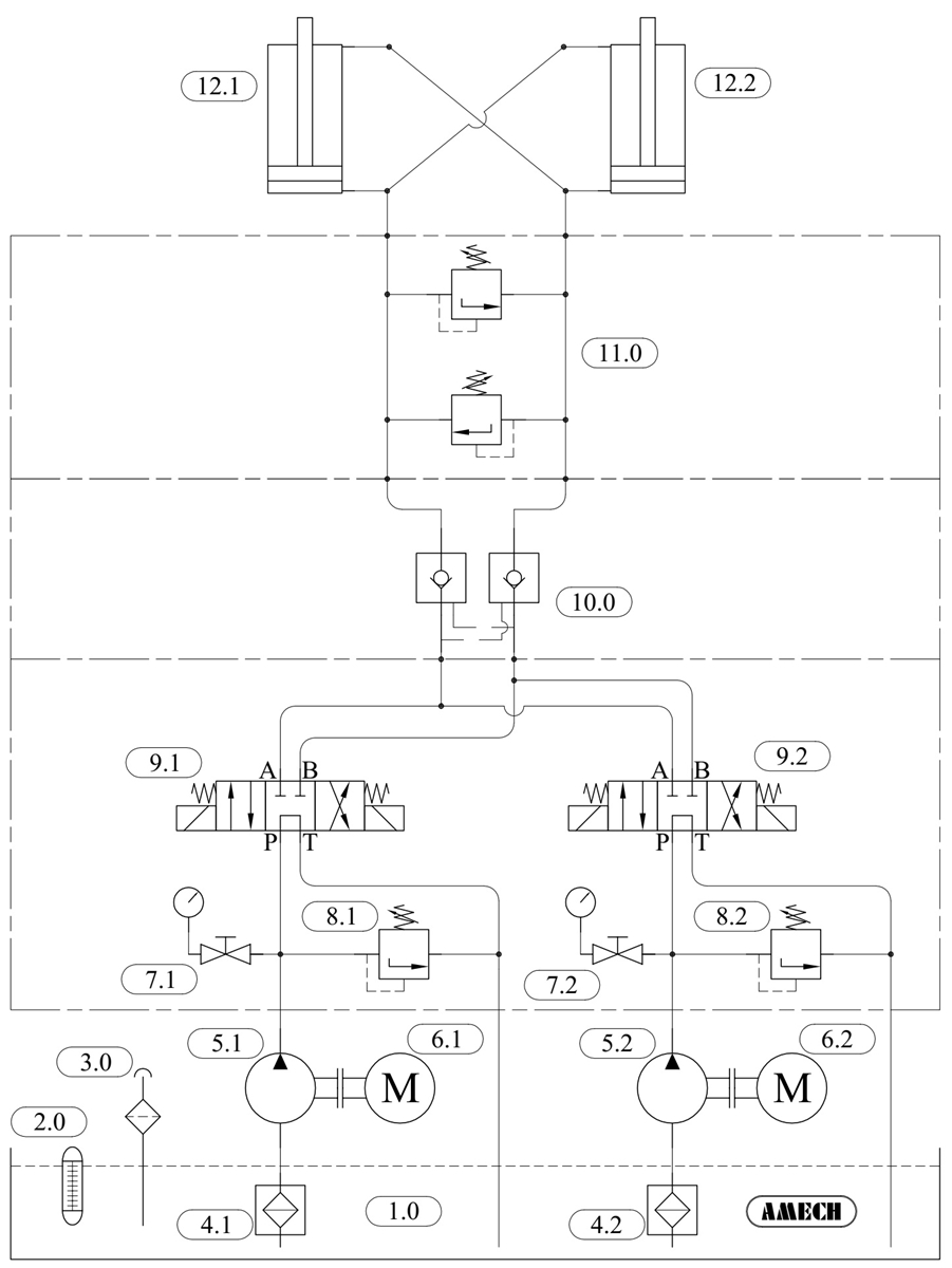
Hệ thống thủy lực máy lái tàu thủy W-130 là máy lái kiểu điện thủy lực được thiết kế cho các tàu có tải trọng trung bình với mô men lái lên tới 13 T.m. Dưới đây hình 19.2 là sơ đồ thủy lực của loại máy lái này.

Hình 19.2. Sơ đồ thủy lực máy lái tàu thủy W-130.
|
1- Thùng chứa dầu |
7- Van khóa đồng hồ |
|
2- Thước do mức dầu |
8- Van an toàn |
|
3- Nắp đổ dầu |
9- Van phân phối 4/3 |
|
4- Lọc dầu hút |
10- Van 1 chiều có điều khiển |
|
5- Bơm dầu thủy lực |
11- Van an toàn bảo vệ ống |
|
6- Động cơ điện |
12- Xi lanh thủy lực |
Chức năng nhiệm vụ của các phần tử thủy lực trong sơ đồ hình 19.2:
+ Thùng chứa dầu số 1 (Tank oil):
Chứa mức dầu phù hợp cho hoạt động của toàn bộ hệ thống. Tùy vào vị trí lắp đặt và yêu cầu sử dụng mà ta có thể chọn thùng dầu tròn (kiểu trụ tròn) hoặc vuông (hình hộp chữ nhật).
+ Thước đo mức dầu số 2:
Đây là thiết bị báo mức dầu trong thùng dầu số 1, ngoài ra trên thước đo mức dầu thường trang bị thêm chức năng đo nhiệt độ dầu.
+ Nắp đổ dầu số 3:
Với bộ nguồn nhỏ thì vị trí này vừa có nhiệm vụ cấp dầu vừa có nhiệu vụ tháo dầu ra khỏi thùng dầu.
+ Lọc dầu hút số 4 (Filter section):
Loại bỏ tạp chất bẩn trước khi vào bơm dầu và hệ thống thủy lực, nhằm bảo vệ các thiết bị thủy lực không bị xước, kẹt các bề mặt làm việc. Lọc dầu hút thường dùng loại 100 µm.
+ Bơm dầu thủy lực số 5 (Hydraulic Pump):
Là thiết bị chuyển hóa năng lượng từ đồng cơ điện thành năng lượng dòng thủy lực với áp suất và lưu lượng nhất định cấp vào hệ thống thủy lực. Thường bơm sử dụng trong sơ đồ này là bơm thủy lực bánh răng.
+ Động cơ điện số 6:
Là thiết bị chuyển hóa điện năng thành mô men quay bơm dầu thủy lực.
+ Van khóa đồng hồ số 7:
Là thiết bị để báo áp suất làm việc tại một thời điểm nhất định.
+ Van an toàn số 8 (Relief Valves):
Là thiết bị thủy lực có nhiệm vụ bảo vệ hệ thống thủy lực khi quá tải. Van này được đặt sẵn một áp suất nhất định, khi bơm dầu thủy lực đạt mức áp suất này (do kẹt bánh lái hoặc do tải trọng nâng lực nước quá lớn) dầu sẽ được xả về thùng => áp suất không thể tăng thêm => bảo vệ các phần tử thủy lực khác.
+ Van phân phối 4/3 (van điện từ, van solenoid) số 9:
Van này có nhiệm vụ đảo chiều đường dầu thủy lực => đảo chiều xi lanh thủy lực => đảo chiều mô men điều khiển bánh lái. Để điều khiển van này phải có dòng điện hoặc nhấn bằng tay vào đầu van (tùy loại van có hoặc không có chức năng này).
+ Van một chiều có điều khiển số 10:
Van này có nhiệm vụ giữ khóa cứng xi lanh ở một vị trí nhất định và chỉ điều khiển được xi lanh khi có nguồn dầu thủy lực cao áp đi qua van => hạn chế hiện tượng xi lanh dịch chuyển do tác động mô men từ bánh lại trong quá trình giữ bánh lái ở vị trí nhất định.
+ Van an toàn số 11:
Van này có nhiệm vụ xả áp khi xi lanh quá tải nhằm bảo vệ đường ống.
+ Xi lanh thủy lực số 12 (Hydraulic cylinder):
Xi lanh có nhiệm vụ tạo lực đẩy để nâng mặt bàn lên cao.
Hình ảnh một số model xi lanh thủy lực có thể dùng trong máy lái tàu được sản xuất bởi công ty Amech:
|
|
|
|
Xi lanh thủy lực AMP5-RB-W |
Xi lanh thủy lực AMP5-TS-B2 |
Mọi yêu cầu thắc hoặc tư vấn hỗ trợ có thể liên hệ thực tiếp với chúng tôi Công ty Amech theo số điện thoại hoặc email sales.amech@gmail.com. Hiện tại công ty Amech có cung cấp trọn bộ máy lái tàu thủy lực có thông số tương đương máy lái W-130 của Nhật, bộ nguồn được nhập khẩu linh kiện chính hãng từ Hàn Quốc, Thổ Nhĩ Kỳ, Đài Loan, Nhật Bản, Italy.
