HỆ THỐNG THỦY LỰC NÂNG NẮP THÙNG XE (SỐ 9)
Hệ thống thủy lực nâng nắp thùng xe (power pack for Wing body) là hệ thống được thiết kế tiêu chuẩn lắp ghép từ các phần tử thủy lực có sẵn. Hệ thống thủy lực nâng nắp thùng xe được thiết kế để điều khiển 02 xi lanh thủy lực, nâng hai cánh nắp thùng xe tải và giữ trên cao với van một chiều chống tụt. Đây là mẫu xe tải đóng thùng xe với hai nắp thùng tách biệt có thể mở ra linh hoạt để bốc xếp hàng hàng dễ dàng như hình 9.1 bên dưới.

Hình 9.1. Xe tải với nắp thùng được nâng lên hai bên
Do được lắp và vận hành trên xe tải nên hệ thống thủy lực này sử dụng động cơ điện, van phân phối có điện áp một chiều 12V hoặc 24V. Một kiểu sơ đồ thủy lực của hệ thống nâng nắp thùng xe như hình 9.2 dưới đây.

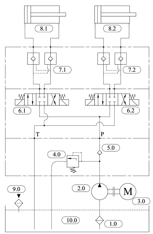
Hình 9.2. Sơ đồ thủy lực cho nâng nắp thùng xe tải.
|
1- Lọc dầu hút |
6- Van phân phối thủy lực 4/3 |
|
2- Bơm dầu thủy lực |
7- Van tiết lưu một chiều |
|
3- Động cơ điện |
8- Xi lanh thủy lực |
|
4- Van an toàn |
9- Nắp đổ dầu |
|
5- Van một chiều |
10- Thùng chứa dầu |
Chức năng nhiệm vụ của các phần tử thủy lực trong sơ đồ hình 9.2:
+ Lọc dầu hút số 1 (Filter section):
Loại bỏ tạp chất bẩn trước khi vào bơm dầu và hệ thống thủy lực, nhằm bảo vệ các thiết bị thủy lực không bị xước, kẹt các bề mặt làm việc. Lọc dầu hút thường dùng loại 100 µm.
+ Bơm dầu thủy lực số 2 (Hydraulic Pump):
Là thiết bị chuyển hóa năng lượng từ đồng cơ điện thành năng lượng dòng thủy lực với áp suất và lưu lượng nhất định cấp vào hệ thống thủy lực. Thường bơm sử dụng trong sơ đồ này là bơm thủy lực bánh răng.
+ Động cơ điện số 3:
Là thiết bị chuyển hóa điện năng thành mô men quay bơm dầu thủy lực. (Tùy vào yêu cầu sử dụng có thể dùng các loại điện áp khác nhau như: Động cơ điện 1 chiều 24V, động cơ điện 1 chiều 12V… Ngoài ra còn có thể thay thế động cơ điện và trích lực PTO).
+ Van an toàn số 4 (Relief Valves):
Là thiết bị thủy lực có nhiệm vụ bảo vệ hệ thống thủy lực khi quá tải. Van này được đặt sẵn một áp suất nhất định, khi bơm dầu thủy lực đạt mức áp suất này (do kẹt cơ khí hoặc có vật cản trong quá trình làm việc dẫn tới tại trọng nâng quá lớn) dầu sẽ được xả về thùng => áp suất không thể tăng thêm => bảo vệ các phần tử thủy lực khác.
+ Van một chiều số 5 (check valve):
Van này có nhiệm vụ chỉ cho dòng dầu đi theo một hướng từ bơm lên, nhằm bảo vệ bơm không bị quay ngược chiều khi động cơ điện dừng đột ngột.
+ Van phân phối 4/3 (van điện từ, van solenoid) số 6:
Van này có nhiệm vụ xả dầu ở khoang đáy của xi lanh khi muốn hạ bàn nâng. Để điều khiển van này phải có dòng điện hoặc nhấn bằng tay vào đầu van (tùy loại van có hoặc không có chức năng này).
+ Van một chiều có điều khiển chống tụt hai phía số 7.1 và 7.2 (Pilot Operated Check Valves):
Van này có nhiệm vụ chỉ đóng, mở nắp thùng khi có áp suất mở van => giữ nắp thùng ở một ví trí nhất định mà không bị tụt (kể cả khi đang mở và giữ trên cao).
+ Xi lanh thủy lực số 8.1 và 8.2 (Hydraulic cylinder):
Xi lanh có nhiệm vụ tạo lực đẩy để mở nắp thùng.
+ Nắp đổ dầu số 9: Với bộ nguồn nhỏ thì vị trí này vừa có nhiệm vụ cấp dầu vừa có nhiệu vụ tháo dầu ra khỏi thùng dầu.
+ Thùng chứa dầu số 10 (Tank oil):
Chứa mức dầu phù hợp cho hoạt động của toàn bộ hệ thống. Tùy vào vị trí lắp đặt và yêu cầu sử dụng mà ta có thể chọn thùng dầu tròn (kiểu trụ tròn) hoặc vuông (hình hộp chữ nhật).
Hình ảnh một số model xi lanh thủy lực có thể dùng cho việc nâng nắp thùng xe tải được sản xuất bởi công ty Amech:
|
|
|
|
|
Xi lanh thủy lực AMP5-RB-W |
Xi lanh thủy lực AMP3-RC-W |
Xi lanh thủy lực AMH-CT-W |
Mọi yêu cầu thắc hoặc tư vấn hỗ trợ có thể liên hệ thực tiếp với chúng tôi Công ty Amech theo số điện thoại hoặc email sales.amech@gmail.com. Hiện tại công ty Amech có cung cấp bộ nguồn thủy lực cho việc nâng nắp thùng xe tải, bộ nguồn được nhập khẩu linh kiện chính hãng từ Hàn Quốc, Thổ Nhĩ Kỳ, Đài Loan, Trung Quốc.
