HỆ THỐNG THỦY LỰC NÂNG SÀN PHỤ Ô TÔ (SỐ 15)
Hệ thống thủy lực nâng sàn phụ ô tô (bửng nâng hạ, power pack for tail lift) là hệ thống được dùng để điều khiển sàn nâng phụ ô tô (bửng nâng) xe ô tô. Đây là thiết bị được gắn vào đuôi xe ô tô phục vụ cho việc nâng, hạ để chuyển và dỡ hàng vào thùng xe. Hệ thống thủy lực này có thiết kế đơn giản, vận hành ổn định và êm ái, do sử dụng hệ thống dẫn động bằng xi lanh thủy lực nên gần như không có tiếng ồn khi làm việc. Một kiểu gắn bửng nâng hạ có kết cấu đơn giản như hình 15.1 dưới đây.

Hình 15.1. Bửng gắn xe tải
Hệ thống thủy lực nâng sàn phụ ô tô (bửng nâng) được thiết kế nhỏ gọn thuận tiện cho việc lắp đặt trên xe. Điện áp động cơ điện sử dụng thường là loại một chiều DC 24V hoặc DC 12V, sơ đồ thủy lực của hệ thống này như hình 15.2 dưới đây.

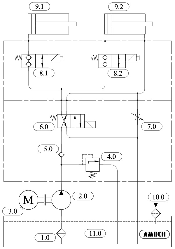
Hình 15.2. Sơ đồ thủy lực nâng sản phụ xe ô tô.
|
1- Lọc dầu hút |
7- Van tiết lưu |
|
2- Bơm dầu thủy lực |
8- Van phân phối 2/2 |
|
3- Động cơ điện |
9- Xi lanh thủy lực |
|
4- Van an toàn |
10- Nắp đổ dầu |
|
5- Van một chiều |
11- Thùng chứa dầu |
|
6- Van phân phối thủy lực 4/2 |
|
Tùy thuộc vào cỡ bửng nâng yêu cầu mà có thể chọn công suất động cơ điện khác nhau và thiết bị thủy lực đồng bộ theo. Hệ thống được thiết kế đồng bộ để điều khiển hai xi lanh hoạt động một chiều, khi nâng lên bằng thủy lực còn khi hạ bằng sức nặng của bửng. Hệ thống sử dụng loại van phân phối chống tụt đặc biệt (có tích hợp sẵn van một chiều hai phía) để giữ mặt bàn tại ví trí bất kì trong quá trình nâng hạ (hạn chế hiện tượng tụt xi lanh do rò rỉ ở van phân phối).
Chức năng nhiệm vụ của các phần tử thủy lực trong sơ đồ hình 15.2:
+ Lọc dầu hút số 1 (Filter section):
Loại bỏ tạp chất bẩn trước khi vào bơm dầu và hệ thống thủy lực, nhằm bảo vệ các thiết bị thủy lực không bị xước, kẹt các bề mặt làm việc. Lọc dầu hút thường dùng loại 100 µm.
+ Bơm dầu thủy lực số 2 (Hydraulic Pump):
Là thiết bị chuyển hóa năng lượng từ đồng cơ điện thành năng lượng dòng thủy lực với áp suất và lưu lượng nhất định cấp vào hệ thống thủy lực. Thường bơm sử dụng trong sơ đồ này là bơm thủy lực bánh răng.
+ Động cơ điện số 3:
Là thiết bị chuyển hóa điện năng thành mô men quay bơm dầu thủy lực. (Tùy vào yêu cầu sử dụng có thể dùng các loại điện áp khác nhau như: Động cơ điện xoay chiều một pha AC 220V, động cơ điện xoay chiều ba pha AC 380V…).
+ Van an toàn số 4 (Relief Valves):
Là thiết bị thủy lực có nhiệm vụ bảo vệ hệ thống thủy lực khi quá tải. Van này được đặt sẵn một áp suất nhất định, khi bơm dầu thủy lực đạt mức áp suất này (do kẹt cơ khí hoặc có vật cản trong quá trình làm việc dẫn tới tại trọng nâng quá lớn) dầu sẽ được xả về thùng => áp suất không thể tăng thêm => bảo vệ các phần tử thủy lực khác.
+ Van một chiều số 5 (check valve):
Van này có nhiệm vụ chỉ cho dòng dầu đi theo một hướng từ bơm lên, nhằm bảo vệ bơm không bị quay ngược chiều khi động cơ điện dừng đột ngột do mất điện.
+ Van phân phối 4/2 (van điện từ, van solenoid) số 6:
Van này có nhiệm vụ đảo chiều đường dầu thủy lực để hạ và nâng thiết bị. Để điều khiển van này phải có dòng điện hoặc nhấn bằng tay vào đầu van (tùy loại van có hoặc không có chức năng này).
+ Van tiết lưu một chiều số 7 (One Way Restrictors):
Van này có nhiệm vụ tạo cản trở đường hồi => Duy trì áp lực nhỏ để đóng xi lanh lại.
+ Van phân phối 2/2 (van điện từ, van solenoid) số 8:
Van này có nhiệm vụ đào chiều đường dầu thủy lực, được dùng khi nâng và hạ. Để điều khiển van này phải có dòng điện hoặc nhấn bằng tay vào đầu van (tùy loại van có hoặc không có chức năng này).
+ Xi lanh thủy lực số 9 (Hydraulic cylinder):
Xi lanh có nhiệm vụ tạo lực đẩy để nâng bàn. Xi lanh thủy lực thường dùng trong ứng dụng này là loại AMP5-TS-W.
+ Nắp đổ dầu số 10:
Với bộ nguồn nhỏ thì vị trí này vừa có nhiệm vụ cấp dầu vừa có nhiệu vụ tháo dầu ra khỏi thùng dầu.
+ Thùng chứa dầu số 11 (Tank oil):
Chứa mức dầu phù hợp cho hoạt động của toàn bộ hệ thống. Tùy vào vị trí lắp đặt và yêu cầu sử dụng mà ta có thể chọn thùng dầu tròn (kiểu trụ tròn) hoặc vuông (hình hộp chữ nhật).
Hình ảnh một số model xi lanh thủy lực có thể dùng cho bửng thủy lực được sản xuất bởi công ty Amech:
|
|
|
|
|
Xi lanh thủy lực AMP5-RB-W |
Xi lanh thủy lực AMP3-RC-W |
Xi lanh thủy lực AMH-CT-W |
