HỆ THỐNG THỦY LỰC XE THANG NÂNG NGƯỜI (SỐ 16)
Hệ thống thủy lực xe thang nâng người là thiết bị dùng để điều khiển xe thang nâng người nhằm đưa người lên làm việc trên cao. Đây là thiết bị hoạt động gần giống với bàn nâng chữ X, tuy nhiên được làm nhiều tầng hơn để có thể nâng người lên cao hơn. Ưu điểm của xe thang nâng người là khả năng làm việc cơ động, dễ dàng thay đổi chiều cao làm việc, thiết bị điều khiển được tích hợp ngay trên sàn nâng thao tác. Một mẫu xe thang nâng người đơn giản như hình 16.1 dưới đây.

Hình 16.1. Xe thang nâng người di động
Hệ thống thủy lực cho xe thang nâng người di động được thiết kế với một hoặc hai xi lanh (tùy thuộc vào chiều cao và kích thước mặt sàn cần nâng). Tùy thuộc vào tải trọng nâng, tốc độ nâng mà tính toán chọn lựa công suất động cơ điện, thiết bị thủy lực đồng bộ khác nhau. Ở đây công ty Amech giới thiệu sơ đồ thủy lực cho xe thang nâng người di động loại sử dụng một xi lanh như hình 16.2 dưới đây.

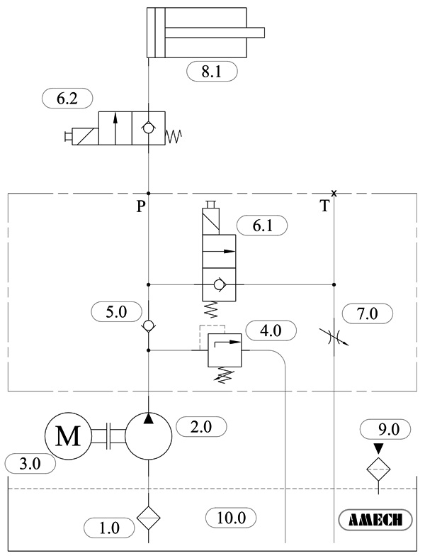
Hình 16.2. Sơ đồ thủy lực cho xe thang nâng người.
|
1- Lọc dầu hút |
6- Van phân phối 2/2 |
|
2- Bơm dầu thủy lực |
7- Van tiết lưu 1 chiều |
|
3- Động cơ điện |
8- Xi lanh thủy lực |
|
4- Van an toàn |
9- Nắp đổ dầu |
|
5- Van một chiều |
10- Thùng chứa dầu |
Hệ thống được thiết kế đồng bộ để điều khiển xi lanh hoạt động một chiều (nâng lên bằng thủy lực và hạ xuống nhờ sức nặng). Ngoài ra hệ thống có van phân phối 2/2 chống tụt kiểu đặc biệt nhằm hạn chế hiện tượng tụt xi lanh (do rò rỉ ở van phân phối) khi đang nâng người lên cao => đảm an toàn cho người vận hành. Đây là bộ nguồn được thiết kế nhỏ gọn, điện áp động cơ thường là loại DC 24v hoặc DC12v.
Chức năng nhiệm vụ của các phần tử thủy lực trong sơ đồ hình 16.2:
+ Lọc dầu hút số 1 (Filter section):
Loại bỏ tạp chất bẩn trước khi vào bơm dầu và hệ thống thủy lực, nhằm bảo vệ các thiết bị thủy lực không bị xước, kẹt các bề mặt làm việc. Lọc dầu hút thường dùng loại 100 µm.
+ Bơm dầu thủy lực số 2 (Hydraulic Pump):
Là thiết bị chuyển hóa năng lượng từ đồng cơ điện thành năng lượng dòng thủy lực với áp suất và lưu lượng nhất định cấp vào hệ thống thủy lực. Thường bơm sử dụng trong sơ đồ này là bơm thủy lực bánh răng.
+ Động cơ điện số 3:
Là thiết bị chuyển hóa điện năng thành mô men quay bơm dầu thủy lực. (Tùy vào yêu cầu sử dụng có thể dùng các loại điện áp khác nhau như: Động cơ điện 3 pha 380V; động cơ điện 1 pha 220V; động cơ điện 1 chiều 24V…)
+ Van an toàn số 4 (Relief Valves):
Là thiết bị thủy lực có nhiệm vụ bảo vệ hệ thống thủy lực khi quá tải. Van này được đặt sẵn một áp suất nhất định, khi bơm dầu thủy lực đạt mức áp suất này (do kẹt bàn nâng hoặc do tại trọng nâng quá lớn) dầu sẽ được xả về thùng => áp suất không thể tăng thêm => bảo vệ các phần tử thủy lực khác.
+ Van một chiều số 5 (check valve):
Van này có nhiệm vụ cho dầu chỉ đi theo một chiều => giữ bàn nâng ở một ví trí nhất định mà không bị tụt (kể cả khi có tải trọng).
+ Van phân phối 2/2 (van điện từ, van solenoid) số 6:
Van này có nhiệm vụ xả dầu ở khoang đáy của xi lanh khi muốn hạ bàn nâng. Để điều khiển van này phải có dòng điện hoặc nhấn bằng tay vào đầu van (tùy loại van có hoặc không có chức năng này).
+ Van tiết lưu một chiều số 7 (One Way Restrictors):
Van này có nhiệm vụ tạo cản trở đường hồi => Duy trì áp lực nhỏ để đóng xi lanh lại một cách từ từ.
+ Xi lanh thủy lực số 8 (Hydraulic cylinder):
Xi lanh có nhiệm vụ tạo lực đẩy để nâng mặt bàn lên cao.
+ Nắp đổ dầu số 9:
Với bộ nguồn nhỏ thì vị trí này vừa có nhiệm vụ cấp dầu vừa có nhiệu vụ tháo dầu ra khỏi thùng dầu.
+ Thùng chứa dầu số 10 (Tank oil):
Chứa mức dầu phù hợp cho hoạt động của toàn bộ hệ thống. Tùy vào vị trí lắp đặt và yêu cầu sử dụng mà ta có thể chọn thùng dầu tròn (kiểu trụ tròn) hoặc vuông (hình hộp chữ nhật).
Hình ảnh một số model xi lanh thủy lực có thể dùng trong bàn nâng được sản xuất bởi công ty Amech:
|
|
|
|
|
Xi lanh thủy lực AMP5-RB-W |
Xi lanh thủy lực AMP3-RC-W |
Xi lanh thủy lực AMH-CT-W |
Mọi yêu cầu thắc hoặc tư vấn hỗ trợ có thể liên hệ thực tiếp với chúng tôi Công ty Amech theo số điện thoại hoặc email sales.amech@gmail.com. Hiện tại công ty Amech có cung cấp bộ nguồn thủy lực mini cho bàn nâng, bộ nguồn được nhập khẩu linh kiện chính hãng từ Hàn Quốc, Thổ Nhĩ Kỳ, Đài Loan, Trung Quốc.
