SƠ ĐỒ THỦY LỰC CHO BÀN NÂNG CHỮ X (SỐ 8)
Bàn nâng thủy lực là thiết bị khá phổ biến được sử dụng để nâng hạ thùng hàng, láp ráp sản phẩm, nâng xe máy, nâng xe ô tô… kết cấu bàn nâng được thiết kế cho các nhiệm vụ này thường là bàn nâng chữ X. Đây là kiểu bàn nâng có kết cấu đơn giản (bao gồm: Khung giá cố định, 02 thanh ghép hình chữ X, mặt bàn chuyển động, xi lanh thủy lực và bộ nguồn thủy lực điện 24V hoặc 220 v…) nên giá thành khá rẻ so với các cơ cấu nâng hạ khác.
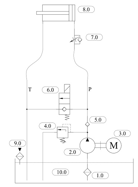
Sơ đồ thủy lực cho bàn nâng chữ X cũng khá đơn giản do chỉ yêu cầu nâng mặt bàn lên bằng thủy lực và hạ bàn xuống bằng tự trọng. Tùy vào ứng dụng cụ thể mà sơ đồ cho bàn nâng sẽ có thêm một số van thủy lực khác nhau, ở đây công ty Amech giới thiệu sơ đồ thủy lực cho bàn nâng chữ X với loại phổ biến nhất như hình 8.1 dưới đây.

Hình 8.1. Sơ đồ thủy lực cho bàn nâng chữ X.
|
1- Lọc dầu hút |
6- Van phân phối 2/2 |
|
2- Bơm dầu thủy lực |
7- Van tiết lưu một chiều |
|
3- Động cơ điện |
8- Xi lanh thủy lực |
|
4- Van an toàn |
9- Nắp đổ dầu |
|
5- Van một chiều |
10- Thùng chứa dầu |
Chức năng nhiệm vụ của các phần tử thủy lực trong sơ đồ hình 8.1:
+ Lọc dầu hút số 1 (Filter section):
Loại bỏ tạp chất bẩn trước khi vào bơm dầu và hệ thống thủy lực, nhằm bảo vệ các thiết bị thủy lực không bị xước, kẹt các bề mặt làm việc. Lọc dầu hút thường dùng loại 100 µm.
+ Bơm dầu thủy lực số 2 (Hydraulic Pump):
Là thiết bị chuyển hóa năng lượng từ đồng cơ điện thành năng lượng dòng thủy lực với áp suất và lưu lượng nhất định cấp vào hệ thống thủy lực. Thường bơm sử dụng trong sơ đồ này là bơm thủy lực bánh răng.
+ Động cơ điện số 3:
Là thiết bị chuyển hóa điện năng thành mô men quay bơm dầu thủy lực. (Tùy vào yêu cầu sử dụng có thể dùng các loại điện áp khác nhau như: Động cơ điện 3 pha 380V; động cơ điện 1 pha 220V; động cơ điện 1 chiều 24V…)
+ Van an toàn số 4 (Relief Valves):
Là thiết bị thủy lực có nhiệm vụ bảo vệ hệ thống thủy lực khi quá tải. Van này được đặt sẵn một áp suất nhất định, khi bơm dầu thủy lực đạt mức áp suất này (do kẹt bàn nâng hoặc do tại trọng nâng quá lớn) dầu sẽ được xả về thùng => áp suất không thể tăng thêm => bảo vệ các phần tử thủy lực khác.
+ Van một chiều số 5 (check valve):
Van này có nhiệm vụ cho dầu chỉ đi theo một chiều => giữ bàn nâng ở một ví trí nhất định mà không bị tụt (kể cả khi có tải trọng).
+ Van phân phối 2/2 (van điện từ, van solenoid) số 6:
Van này có nhiệm vụ xả dầu ở khoang đáy của xi lanh khi muốn hạ bàn nâng. Để điều khiển van này phải có dòng điện hoặc nhấn bằng tay vào đầu van (tùy loại van có hoặc không có chức năng này).
+ Van tiết lưu một chiều số 7 (One Way Restrictors):
Van này có nhiệm vụ thay đổi tốc độ khi hạ bàn nâng.
+ Xi lanh thủy lực số 8 (Hydraulic cylinder):
Xi lanh có nhiệm vụ tạo lực đẩy để nâng mặt bàn lên cao.
+ Nắp đổ dầu số 9:
Với bộ nguồn nhỏ thì vị trí này vừa có nhiệm vụ cấp dầu vừa có nhiệu vụ tháo dầu ra khỏi thùng dầu.
+ Thùng chứa dầu số 10 (Tank oil):
Chứa mức dầu phù hợp cho hoạt động của toàn bộ hệ thống. Tùy vào vị trí lắp đặt và yêu cầu sử dụng mà ta có thể chọn thùng dầu tròn (kiểu trụ tròn) hoặc vuông (hình hộp chữ nhật).
Hình ảnh một số model xi lanh thủy lực có thể dùng trong bàn nâng chữ X được sản xuất bởi công ty Amech:

Hình 8.2. Xi lanh thủy lực AMP5-RB-W
Hình 8.3. Xi lanh thủy lực AMP3-RC-W
Hình 8.4. Xi lanh thủy lực AMH-CT-W
Mọi yêu cầu thắc hoặc tư vấn hỗ trợ có thể liên hệ thực tiếp với chúng tôi Công ty Amech theo số điện thoại hoặc email sales.amech@gmail.com. Hiện tại công ty Amech có cung cấp bộ nguồn thủy lực cho bàn nâng, bộ nguồn được nhập khẩu linh kiện chính hãng từ Hàn Quốc, Thổ Nhĩ Kỳ, Đài Loan, Trung Quốc.