SƠ ĐỒ THỦY LỰC MÁY ÉP 15 TẤN

|
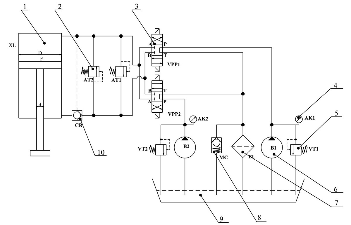
1. Xi lanh thủy lực ép. 2. Van an toàn bảo vệ đường ống. 3. Van phân phối. 4. Đồng hồ đo áp suất (Áp kế). 5. Van an toàn hệ thống. |
6. Bơm nguồn. 7. Bộ lọc dầu hồi. 8. Van một chiều bảo vệ tắc lọc. 9. Thùng dầu. 10. Van một chiều có điều khiển. |
1. Yêu cầu và lựa chọn phương án.
Hệ thống thủy lực máy ép yêu cầu thay đổi tốc độ của xi lanh thủy lực truyền động: Chế độ không tải, xi lanh đi xuống với vận tốc nhanh v1 = 1,2 (m/ph), và chế độ ép với vận tốc ép chậm v2 = 0,4(m/ph).
Có nhiều cách để thay đổi vận tốc của xi lanh thủy lực:
+ Thứ nhất, ta dùng van tiết lưu điều chỉnh lưu lượng vào xi lanh;
+ Thứ hai, dùng van phân phối điều chỉnh được lưu lượng (Van phân phối sevo hoặc van phân phối tỉ lệ);
+ Thứ ba, dùng cơ cấu Xi lanh thủy lực đấu vi sai;
+ Thứ tư là dùng bơm điều chỉnh lưu lượng hoặc ta có thể dùng 2 bơm với 2 lưu lượng khác nhau cấp cho xi lanh…
Ở đây ta chọn phương án dùng 2 bơm vì: do lực ép của máy nhỏ (15 tấn) nên áp suất bơm nguồn không lớn . Vì vậy, ta có thể chọn bơm nguồn là bơm bánh răng => giá thành không cao.
2. Các chế độ làm việc của hệ thống.
+ Chế độ khởi động: Bơm (B1) và (B2) được khởi động, các van phân phối (VPP1) và (VPP2) ở vị trí trung gian dầu được xả lại về thùng dầu qua bộ lọc (BL).
+ Chế độ làm việc không tải: Bơm (B1) cấp dầu lên tới van phân phối (VPP1), van (VPP1) cấp dầu tới xi lanh thủy lực (XL) => xi lanh thủy lực (XL) chuyển động đi xuống tới hành trình là s1.
+ Chế độ ép: Khi kết thúc hành trình s1, nhờ công tắc hành trình, bơm (B2) cấp dầu đến van phân phối (VPP2) => xi lanh thủy lực truyền động (XL) bắt đầu hành trình ép s2 tới khi gặp công tắc hành trình đặt thì dừng lại và chuyển sang chế độ tiếp theo.
+ Chế độ lùi: Đảo chiều van phân phối giúp xi lanh thủy lực chuyển động rút lại tới vị trí ban đầu và chuẩn bị thực hiện chu trình mới.
Mọi yêu cầu thắc hoặc tư vấn hỗ trợ có thể liên hệ trực tiếp với chúng tôi Công ty Amech theo số điện thoại hoặc email sales.amech@gmail.com.