Hướng dẫn chọn bơm bánh răng
I. BƠM THỦY LỰC BÁNH RĂNG LÀ GÌ? NGUYÊN LÝ LÀM VIỆC.
II. BƠM BÁNH RĂNG GỒM CÁC LOẠI NÀO?
III. CẤU TẠO CỦA BƠM BÁNH RĂNG VÀ CÁCH CHỌN BƠM BÁNH RĂNG.
3.1. Cấu tạo của bơm bánh răng.
3.2. Những lưu ý khi chọn mua bơm bánh răng:
I. BƠM THỦY LỰC BÁNH RĂNG LÀ GÌ? NGUYÊN LÝ LÀM VIỆC.
Bơm thủy lực bánh răng là một loại bơm thủy lực khá phổ biến với giá thành rẻ, không yêu cầu độ sạch của dầu quá cao như bơm piston, với kết cấu bơm kiểu giống như bánh răng trong hộp số cơ khí nên được đặt tên là bơm bánh răng (bơm nhông). Tùy vào áp suất làm việc max và điều kiện làm việc mà vật liệu chế tạo bơm có khác nhau như vỏ nhôm, vỏ gang...
Nguyên lý làm việc của bơm bánh răng là thay đổi thể tích: khi thể tích của buồng hút A tăng, bơm hút dầu, thực hiện chu kỳ hút; và khi thể tích giảm, bơm đẩy dầu ra ở buồng B, thực hiện chu kỳ nén. Nếu như trên đường dầu bị đẩy ra ta đặt một vật cản (ví dụ như van), dầu bị chặn sẽ tạo nên một áp suất nhất định phụ thuộc vào độ lớn của sức cản và kết cấu của bơm.

Hình 1: Nguyên lý làm việc của bơm bánh răng.
II. BƠM BÁNH RĂNG GỒM CÁC LOẠI NÀO?
Bơm bánh răng là loại bơm dùng phổ biến nhất vì nó có kết cấu đơn giản, dễ chế tạo. Phạm vi sử dụng của bơm bánh răng chủ yếu ở những hệ thống có áp suất nhỏ như: trên máy khoan, doa, bào, phay, các kết cấu nâng hạ nhỏ (bàn nâng, xe nâng..)… Phạm vi áp suất sử dụng của bơm bánh răng hiện nay có thể từ 10 ÷ 350 Bar.
Bơm bánh răng gồm có 2 loại: Loại bánh răng ăn khớp ngoài (Áp suất đến 270 Bar); Loại bánh răng ăn khớp trong (áp suất đến 350 Bar). Loại bánh răng ăn khớp ngoài được dùng rộng rãi hơn vì chế tạo dễ hơn nên giá thành rẻ hơn, tuy nhiên bơm bánh răng ăn khớp trong thì có kích thước gọn nhẹ hơn.

Hình 2: Phân loại bơm bánh răng.
a. Bơm bánh răng ăn khớp ngoài b. Bơm bánh răng ăn khớp trong c. ký hiệu
III. CẤU TẠO CỦA BƠM BÁNH RĂNG VÀ CÁCH CHỌN BƠM BÁNH RĂNG.
3.1. Cấu tạo của bơm bánh răng.
Bơm bánh răng phổ biến nhất là loại ăn khớp ngoài (giống như ăn khớp bánh răng hộp số) với cấu tạo gồm các chi tiết chính sau:

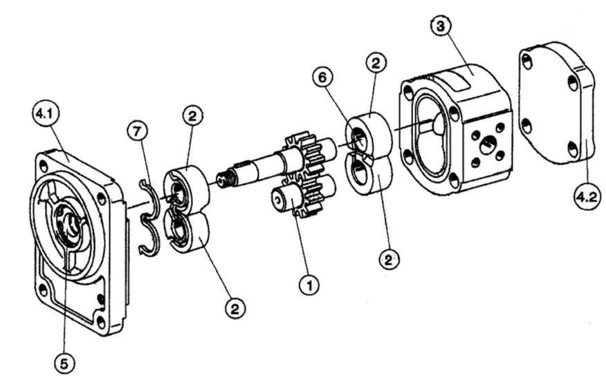
Hình 3. Kết cấu bơm bánh răng ăn khớp ngoài.
1- Cặp bánh răng 2- Vành chắn 3- Thân bơm 4.1-4.2 Bích bơm 5- Phớt chắn dầu ở trục quay 6- Ổ đỡ 7- Vòng chắn điều chỉnh độ hở
Cặp bánh răng số 1 là bộ phận chính làm việc, có nhiệm vụ hút dầu vào từ đường hút và nén dầu lại sau đó đẩy ra đường đẩy với áp suất cao; vành chắn số 2 và bạc số 6 có nhiệm vụ chặn và đỡ cặp bánh răng làm việc; Vòng chặn dầu số 7 hay còn gọi phớt số 3 có tác dụng giữ áp suất ở khoang cao áp nên bơm chỉ có thể làm việc theo chiều quy định (muốn đảo chiều bơm phải đảo phớt này, một số bơm bánh răng mới có khả năng đảo chiều quay làm việc).
3.2. Những lưu ý khi chọn mua bơm bánh răng:
+ Các lưu ý Hướng dẫn phân loại và chọn bơm thủy lực phù hợp.
+ Với yêu cầu sử dụng bơm áp suất thấp (dưới 100 Bar), lưu lượng lớn (vài chục cc) có thể chọn mua bơm Trung Quốc hoặc Đài Loan do giá rẻ. Tuy nhiên hạn chế là bơm thường kêu to; nhiều đơn vị cung cấp không bảo hành. Vì vậy phù hợp với những ứng dụng không yêu cầu hoạt động tần suất cao.
+ Với yêu cầu sử dụng bơm áp suất trung bình (từ 100 ÷ 250 Bar): Nên chọn mua bơm bơm Hàn Quốc hoặc của Italy và đơn vị cung cấp uy tín có chế độ bảo hành tốt!
+ Với yêu cầu sử dụng bơm có áp suất cao (lớn hơn 250 Bar): về mặt lý thuyết có thể sử dụng bơm bánh răng ăn khớp trong, tuy nhiên nó đắt tiền và khó mua ở Việt Nam nên chuyển sang bơm piston hướng trục.
+ Tham khảo bảng giá bơm bánh răng tại đây.
Ngoài ra công ty Amech chuyên cung cấp vật tư thủy lực chính hãng với chất lượng phù hợp nhu cầu của khách hàng như: Bộ nguồn thủy lực (thiết kế theo yêu cầu hoặc bộ nguồn tiêu chuẩn, bộ nguồn mini); Xi lanh thủy lực (Loại tiêu chuẩn, loại thiết kế theo yêu cầu sử dụng); Van an toàn thủy lực; Van điều khiển thủy lực các loại; Bộ lọc dầu thủy lực; Đồng hồ đo áp suất; Rơ le áp suất thủy lực; Cảm biến áp suất… Với linh kiện xuất xứ EU, G7, Việt Nam…
Mọi thắc mắc và yêu cầu hỗ trợ có thể liên hệ trực tiếp tới số Hotline 09.3838.8583 (có Zalo) hoặc gửi mail sales.amech@gmail.com để được tư vấn.
Bơm thủy lực bánh răng loại bích 2 lỗ, trục thẳng - then bằng