Hướng dẫn chọn thiết bị đồng tốc xi lanh thủy lực (số 11)
I. ĐỒNG TỐC XI LANH THỦY LỰC LÀ GÌ? CÁC YẾU TỐ ẢNH HƯỞNG TỚI ĐỒNG TỐC THỦY LỰC.
II. PHƯƠNG PHÁP TÍNH SAI SỐ ĐỒNG TỐC Ở XI LANH THỦY LỰC.
III. CÁC PHƯƠNG ÁN ĐỒNG TỐC XI LANH THỦY LỰC PHỔ BIẾN.
I. ĐỒNG TỐC XI LANH THỦY LỰC LÀ GÌ? CÁC YẾU TỐ ẢNH HƯỞNG TỚI ĐỒNG TỐC THỦY LỰC.
Đồng tốc xi lanh thủy lực được sử dụng khá phố biến trong các cơ cấu đòi hỏi phân bổ không đều lực (hoặc mô men) trên một khoảng cánh lớn. Vấn đề chính của bài toán đồng tốc xi lanh thủy lực đó là chia lưu lượng sao cho vào các xi lanh là bằng nhau, từ đó tốc độ làm việc của các xi lanh là bằng nhau (xi lanh đã đồng tốc).
Một số máy thủy có nhiều xi lanh yêu cầu các hành trình xi lanh phải đồng bộ hoàn hảo để máy hoạt động tốt. Nếu tất cả các tải trọng, kích thước đường thẳng và chiều dài, và ma sát của các xi lanh và các chi tiết máy là giống nhau, chúng có thể hoạt động cùng một lúc và tốc độ bằng nhau. Trong khi các kích thước và độ dài đường, và tải trọng của máy có thể được kiểm soát ở một mức độ nào đó, thì ma sát thay đổi liên tục. Vì vậy, khi các xi lanh phải làm việc đồng tốc với nhau, hãy sử dụng một số phương pháp để đồng bộ hóa chúng.
Một cách để đồng bộ hóa xi lanh là với phần cứng cơ khí bên ngoài. Một số cơ cấu phổ biến là giá đỡ và bánh răng, trục khuỷu, dây cáp và ròng rọc, xích và đĩa xích. Độ chính xác của các phương pháp này phụ thuộc vào sức mạnh của phần cứng và vị trí của tải. Phương pháp cơ học là cách phổ biến nhất để đồng bộ hóa chính xác các xi lanh. Một ưu điểm của đồng bộ hóa cơ khí là các xi lanh có thể hoạt động ở bất kỳ đâu trong hành trình mà không bị lệch pha. Độ chính xác của đồng bộ hóa cơ học là khoảng ± 0,005 đến 0,010 inch - tùy thuộc vào sự thay đổi tải trọng và độ bền của cơ cấu được sử dụng.
Cách chính xác nhất để đồng bộ hóa xi lanh thủy lực là với các thiết bị servo. Servovalves điều khiển độc lập từng xi lanh với phản hồi vị trí điện tử và so sánh từng vị trí của cơ cấu chấp hành với tất cả các xi lanh khác. Đây là cách đồng bộ xi lanh tốn kém nhất nhưng chính xác nhất. Có thể đạt được vị trí của bộ truyền động trong khoảng ± 0,001 đến 0,002 inch so với nhau bằng cách sử dụng các phương pháp servo tốt.
Bài viết này đề cập đến các cách đồng bộ hóa xi lanh bằng cách sử dụng các thành phần năng lượng chất lỏng khác. Các mạch này chỉ ra cách sắp xếp các thành phần để giữ nhiều vị trí xi lanh thủy lực ở gần nhau. Mạch đơn giản nhất chỉ sử dụng các điều khiển dòng chảy để tạo ra lực cản để giữ trụ nhanh quay trở lại. Độ chính xác của đồng bộ hóa điều khiển dòng chảy chỉ ở mức trung bình và kém. Một số cách phức tạp hơn - chẳng hạn như sử dụng xi lanh song song hoặc bố trí xi lanh chính - phụ - giữ vị trí tương đối thấp nhất là ± 0,010 đến 06 in.
Để sử dụng các thành phần năng lượng chất lỏng để đồng bộ hóa các xi lanh, tất cả các xi lanh phải đến điểm dừng dương vào cuối mỗi chu kỳ. Rò rỉ trong các phớt hoặc đường viền xi lanh gây ra sự khác biệt nhỏ về vị trí sau mỗi lần di chuyển. Khi tất cả các xi lanh đều chạm đáy hoặc gặp mức dừng tích cực, sai số của mỗi chu kỳ không thể cộng dồn. Đây là lý do chính không sử dụng đồng bộ năng lượng chất lỏng với các xi lanh chỉ hoạt động ở giữa kỳ.
Khi thử nghiệm đồng bộ hóa xi lanh trên máy, luôn khởi động mạch khi các xi lanh được tách ra khỏi máy. Chu kỳ các xi lanh mà không có bất kỳ tải trọng nào kèm theo. Điều này cho phép một thời gian an toàn để xả khí và điều chỉnh van. Mọi động thái đột ngột hoặc mất kiểm soát sẽ không ảnh hưởng đến các thành viên trong máy.
II. PHƯƠNG PHÁP TÍNH SAI SỐ ĐỒNG TỐC Ở XI LANH THỦY LỰC.
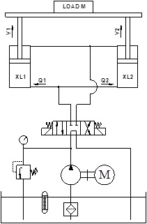
Theo lý thuyết thì chỉ cần kết nối đường dầu từ một nguồn và chia ra các xi lanh với độ dài đường ống như nhau là được. Vì khi đó quãng đường dầu từ một nguồn tới các xi lanh là giống nhau => lưu lượng cấp cho các xi lanh là giống nhau => tốc độ xi lanh làm việc là giống nhau => xi lanh đồng tốc.

Hình 11.1. Sơ đồ thủy lực nối ống đồng tốc hai xi lanh.
Tuy nhiên thực tế thì tải trọng tại các đầu xi lanh là không bằng nhau (như hình 11.2) => áp suất làm việc tại các xi lanh (áp suất mà khiến piston xi lanh bắt đầu chuyển động) là khác nhau => trong quá trình tăng áp của bơm nguồn sẽ có xi lanh chạy trước, xi lanh chạy sau => Không đồng tốc.

Hình 11.2. Khi tải trọng phân bố không đều.
Để tính toán khả năng không đồng tốc của một hệ thống ta xem sét quá trình đẩy một vật đi một quãng đường như sau:

Hình 11.3. Cơ cấu không đồng tốc khi tải trọng đặt lệch.
Tùy vào hành trình chuyển động mà sẽ dẫn tới độ lệch ΔH khác nhau.
Giả sử H = L. Khi đó ta có:

|
ΔV/V |
α |
|
10% |
5,71o |
|
9% |
5,14o |
|
8% |
4,57o |
|
7% |
4,00o |
|
6% |
3,43o |
|
5% |
2,86o |
|
4% |
2,29o |
|
3% |
1,72o |
|
2% |
1,15o |
|
1% |
0,57o |
III. CÁC PHƯƠNG ÁN ĐỒNG TỐC XI LANH THỦY LỰC PHỔ BIẾN
+ Phương pháp 1: Sử dụng van tiết lưu để căn chỉnh tốc độ hai xi lanh.
+ Phương pháp 2: Sử dụng van chia lưu lượng kiểu tiết lưu.

Hình 11.4. Bộ chia chia lưu lượng đồng tốc kiểu tiết lưu
+ Phương pháp 3: Sử dụng mô tơ chia lưu lượng kiểu bánh răng.

Hình 11.5. Bộ chia lưu lượng đồng tốc kiểu bánh răng.
+ Phương pháp 4: Sử dụng bơm kép có cùng lưu lượng.
+ Phương pháp 5: Sử dụng bộ đồng tốc xi lanh thủy lực APMS của công ty Amech.
+ Phương pháp 6: Sử dụng hệ thống servo để điều khiển (xi lanh thủy lực servo, van phân phối servo).
Ưu, nhược điểm của các phương pháp đồng tốc xi lanh thủy lực hay dùng:
|
Tên phương pháp |
Sai số đồng tốc |
Ghi chú |
|
Phương pháp 1 |
5 % ÷ 10% |
Đơn giản, rẻ tiền nhất, tải trọng cố định |
|
Phương pháp 2 |
6% ÷ 10% |
Đơn giản, rẻ tiền, có tổn thất ở van chia |
|
Phương pháp 3 |
Ít tổn thất áp suất, giá cao hơn phương pháp 2. |
|
|
Phương pháp 4 |
5% |
Không thay đổi được tốc độ hệ thống, khó tìm được bơm phù hợp có sẵn. |
|
Phương pháp 5 |
1% ÷ 3% |
Phụ thuộc vào chênh áp làm việc thực tế và kích thước xi lanh cần đồng tốc. |
|
Phương pháp 6 |
< 1% |
Độ chính xác rất cao, đắt tiền. |
Ngoài ra công ty Amech chuyên cung cấp vật tư thủy lực chính hãng với chất lượng phù hợp nhu cầu của khách hàng như: Bộ nguồn thủy lực (thiết kế theo yêu cầu hoặc bộ nguồn tiêu chuẩn, bộ nguồn mini); Xi lanh thủy lực (Loại tiêu chuẩn, loại thiết kế theo yêu cầu sử dụng); Van an toàn thủy lực; Van điều khiển thủy lực các loại; Bộ lọc dầu thủy lực; Đồng hồ đo áp suất; Rơ le áp suất thủy lực; Cảm biến áp suất… Với linh kiện xuất xứ EU, G7, Việt Nam…
Mọi thắc mắc và yêu cầu hỗ trợ có thể liên hệ trực tiếp tới số Hotline 09.3838.8583 (có Zalo) hoặc gửi mail sales.amech@gmail.com để được tư vấn.