Hướng dẫn lựa chọn van an toàn thủy lực (Số 14)
1. Van an toàn thủy lực là gì?
2. Các ứng dụng lắp van an toàn phổ biến.
1. Van an toàn thủy lực là gì?
Luôn sử dụng van an toàn với máy bơm thủy lực lưu lượng cố định. Các mạch bơm bù áp cũng có thể sử dụng van giảm áp cho các ứng dụng nhất định.
Hãy coi van an toàn trong hệ thống thủy lực giống như một cầu chì hoặc bộ ngắt mạch trong mạch điện. Mạch điện không bao giờ nổ cầu chì trừ khi nó bị quá tải. Khi một mạch điện quá tải, nó không thể hoạt động cho đến khi được đặt lại. Thông thường người chịu trách nhiệm đặt lại cầu chì sẽ tìm nguyên nhân khiến cầu chì bị chảy và khắc phục sự cố trước khi khởi động lại máy. Nhiều mạch thủy lực cho phép van an toàn đẩy một phần hoặc toàn bộ lưu lượng bơm đến bồn chứa toàn bộ hoặc một phần thời gian. Công suất phụ để tạo ra dòng chảy không sử dụng đó là tốn kém. Ngoài ra, việc tạo ra nhiệt từ dòng chảy dư thừa đòi hỏi các bộ trao đổi nhiệt lớn hơn, tốn kém để mua và vận hành.
Bảo vệ máy bơm và hệ thống khỏi áp suất dư thừa là chức năng hợp lệ duy nhất của van an toàn. Van an toàn áp không được sử dụng để chuyển chất lỏng có áp suất dư thừa sang bể chứa. Khi lưu lượng bơm dư thừa đi đến bể chứa, nó sẽ sinh ra nhiệt. Van an toàn trong mạch thủy lực được thiết kế tốt sẽ không bao giờ xả dầu vào bồn chứa - trừ khi có sự cố về mạch hoặc điều khiển.

Hình 14-1 Ký hiệu van an toàn cơ bản trong mạch thủy lực.
Hình 14-1 minh họa biểu tượng của van an toàn tác động trực tiếp. Van an toàn tác động trực tiếp phản ứng nhanh chóng khi áp suất cố gắng vượt quá cài đặt của van. Nó có thể được sử dụng trên các mạch có máy bơm bù áp để giảm mức tăng đột biến áp suất. Trên mạch thủy lực có bơm dịch chuyển cố định, van an toàn tác động trực tiếp mở sớm một phần và do đó lãng phí năng lượng. Khi hệ thống phải hoạt động gần áp suất tối đa mà không có bất kỳ đường dẫn chất lỏng nào, hãy sử dụng van giảm áp vận hành bằng gián tiếp.

Hình 14-2 Van an toàn thủy lực vận hành kiểu giản tiếp.
Hình 14-2 cho thấy các ký hiệu đơn giản và đầy đủ cho van giảm áp vận hành bằng pilot (gián tiếp). Loại van an toàn này có hai phần. Bộ điều khiển thí điểm ở trên cùng là một van an toàn tác động trực tiếp nhỏ, kiểu poppet. Phần dòng chảy chính của van là van 2 chiều dạng poppet hoặc piston, thường đóng. Thông qua cổng bên trong, một tấm đệm nhỏ tác động trực tiếp điều khiển một tấm đệm hoặc piston lớn. Van giảm áp vận hành bằng pilot phản ứng chậm hơn, nhưng thậm chí không mở một phần cho đến khi áp suất hệ thống đạt khoảng 95% áp suất cài đặt. Van giảm áp vận hành bằng thí điểm thích hợp cho hoạt động từ xa, chúng mở để không tải máy bơm ở áp suất dưới 50 psi và chúng hoạt động như van 2 chiều lớn trong một số mạch.
2. Các ứng dụng lắp van an toàn phổ biến.
Luôn đặt van an toàn càng gần đầu ra của máy bơm dịch chuyển cố định càng tốt. Một bộ giảm áp vận hành bằng pilot hoạt động tốt nhất vì nó không vượt qua bất kỳ chất lỏng nào cho đến khi áp suất hệ thống rất gần với áp suất đặt của van.

Hình 14-3 Cách lắp van an toàn thủy lực phổ biến.
Hình 14-3 mô tả một mạch bơm dịch chuyển cố định điển hình. Ngoại trừ trường hợp mạch điều khiển bị trục trặc hoặc nếu nó được sử dụng để giữ xi lanh ở áp suất, van an toàn không bao giờ mở. Sự sinh nhiệt là tối thiểu và mạch thường có thể chạy mà không cần bộ trao đổi nhiệt.

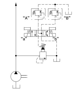
Hình 14-4 Van an toàn có điều khiển với ba mức đặt áp khác nhau.
Hình 14-4 mô tả mạch thủy lực với van an toàn có điều khiển sử dụng ba mức đặt áp khác nhau cho hệ thống thủy lực với các cơ cấu chấp hành khách nhau hoặc cho máy ép thủy lực với lực ép khác nhau.

Hình 14-5 Van an toàn solenoil kết hợp dùng cho mạch xả tải
Thêm một van điện từ vào cổng thông hơi của van xả vận hành bằng pilot sẽ tạo ra một van xả hiệu quả. Hình 14-5 cho thấy một máy bơm dịch chuyển cố định cung cấp dầu thủy lực cho hệ thống. Không có điện cho điện từ trên van xả khi các các cơ cấu chấp hành không tải, do đó, dòng chảy của máy bơm đi đến bồn chứa ở áp suất thấp. Cung cấp năng lượng cho một điện từ trên van xả và van định hướng của một xi lanh gây ra tác động. Cung cấp năng lượng cho cả hai chất lỏng đồng thời đưa dòng bơm đến xi lanh cho đến khi đạt áp suất xả tối đa. Van xả điện từ luôn có độ trễ nhỏ trước khi chặn dòng chảy vào bể chứa sau khi cấp điện cho van điện từ. Độ trễ tính bằng mili giây nên nó thường chỉ đáng chú ý ở những chu kỳ rất nhanh.
Các loại van an toàn sử dụng phổ biến như: Van an tác động trực tiếp (loại modul, loại bắt ren trên đường ống); Van an toàn tác động gián tiếp (loại lắp mặt bích, loại bắt ren, loại kết hợp van điện từ để xả tải); Van an toàn servo (kết hợp van điện điều khiển tỉ lệ tạo ra van an toàn kiểu servo có thể điều chỉnh áp suất đặt tuyến tính theo yêu cầu sử dụng)
|
|
|
|
|
Van an toàn trực tiếp lắp bích |
Van an toàn trực tiếp modul |
Van an toàn trực tiếp lắp ren |
Hình 14-6 Van an toàn kiểu trực tiếp
|
|
|
|
|
Van an toàn gián tiếp lắp ren |
Van an toàn gián tiếp lắp bích |
Van an toàn lắp bích có xả tải |
Hình 14-7 Van an toàn kiểu gián tiếp

Hình 14-8 van an toàn servo
Ngoài ra công ty Amech chuyên cung cấp vật tư thủy lực chính hãng với chất lượng phù hợp nhu cầu của khách hàng như: Bộ nguồn thủy lực (thiết kế theo yêu cầu hoặc bộ nguồn tiêu chuẩn, bộ nguồn mini); Xi lanh thủy lực (Loại tiêu chuẩn, loại thiết kế theo yêu cầu sử dụng); Van an toàn thủy lực; Van điều khiển thủy lực các loại; Bộ lọc dầu thủy lực; Đồng hồ đo áp suất; Rơ le áp suất thủy lực; Cảm biến áp suất… Với linh kiện xuất xứ EU, G7, Việt Nam…
Mọi thắc mắc và yêu cầu hỗ trợ có thể liên hệ trực tiếp tới số Hotline 09.3838.8583 (có Zalo) hoặc gửi mail sales.amech@gmail.com để được tư vấn.





